Latest News
What are the characteristics of CNC machining?... View More>>
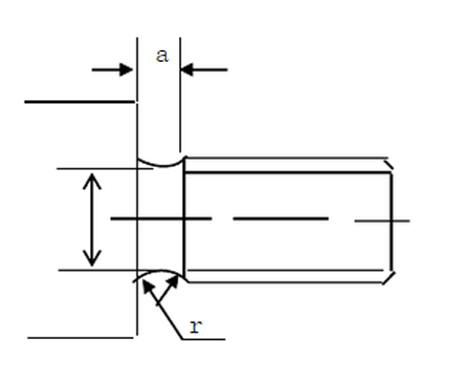
How to calculate the size of the tool withdrawal groove when threading?... View More>>
CNC lathe is suitable for processing parts with high accuracy requirements. Due to the high manufacturing accuracy of CNC lathe, good rigidity, more accurate to the knife, and convenient size compensation, it can process part with high dimensional accurac... View More>>
Examples of thin-walled parts machining technology... View More>>
New CNC machines Taiwan Brand NCV102AM high precision vertical machine,the technical Parameters... View More>>
CNC turning machining steps... View More>>
Latest News
Contact Us
Name: Sales Team
Mobile: 158 2047 0409
E-mail: [email protected]
WeChat: 158 2047 0409
Whatsapp: +86-158 2047 0409
Add: No. 2, Xinwei 1st Road, Sha'jiao, Humen Town, Dongguan City, Guangdong,China












WhatsApp
Mail inquiry